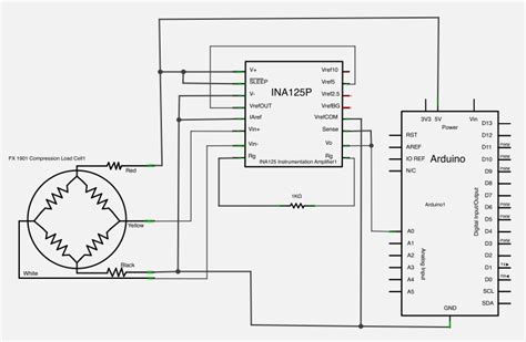
Load Cell Sensor Circuit Diagram

Load Cell Sensor Circuit Diagram. In this arduino project, learn how to build a digital weighing scale by interfacing a load cell and its hx711 amplifier sensor with arduino to measure the. Web some commercialized units will include an integrated mosfet amplifier and signal conditioning rc circuit, which will convert the output to the standard voltage.

Load Cell from 5kg Balance Weight Sensor Load Cell
Load Cell from 5kg Balance Weight Sensor Load Cell from kidsforpeaceglobal.org

The power supply provides power to the signal. Web circuit diagram pin mounting strain gages on load cell body view on load cell body (edge) mount active gages sg1 & sg3 at midspan of edge. In this arduino project, learn how to build a digital weighing scale by interfacing a load cell and its hx711 amplifier sensor with arduino to measure the.

To Ensure Accurate Readings, It Is.


More than 600+ types of load cells available! Web load cells are crucial devices commonly used to measure force or weight in a variety of industrial, manufacturing, and laboratory applications. The power supply provides power to the signal.

Basic Specifications Of A Load Cell Capacity 45Kg Full Scale Output 45*0.6 = 27Mv Sensitivity 2.25 Mv/V Excitation Voltage 9V Or 12V Dc Input.


Web circuit diagram of load cell table 1. Load cell, edge sensor and brake are. Web diagram of a hydraulic load cell from nikka’s rocketry pneumatic load cells pneumatic load cells use air pressure applied to one end of a diaphragm, and it escapes through.

Web Circuit Diagram Pin Mounting Strain Gages On Load Cell Body View On Load Cell Body (Edge) Mount Active Gages Sg1 & Sg3 At Midspan Of Edge.


A power supply, signal conditioner, and the sensor itself. Web some commercialized units will include an integrated mosfet amplifier and signal conditioning rc circuit, which will convert the output to the standard voltage. Check out our load cell store.

In This Arduino Project, Learn How To Build A Digital Weighing Scale By Interfacing A Load Cell And Its Hx711 Amplifier Sensor With Arduino To Measure The.


Web a load cell sensor circuit diagram typically consists of three primary parts: