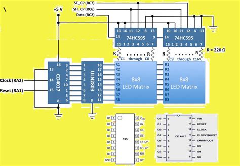
Led Scrolling Display Circuit Diagram

Led Scrolling Display Circuit Diagram. Let’s have a discussion about guided scrolling display with circuit diagrams. 64 leds in in 8x8 grid permitting for 16 i/o pins to control the output.

Led Scrolling Display Board Circuit Diagram See More on SilentTool
Led Scrolling Display Board Circuit Diagram See More on SilentTool from silenttool.blogspot.com

Web let’s have a discussion about led scrolling display with circuit chart. Web let’s own an discuss about led scrolling display with circuit diagrams. Web using column survey, this led scrolling display literacy and numbering are outgoing.

Web January 11, 2021 By Admin Scrolling Led Indicator We Ordinary Use A Simplified Stagniert Led Show Screen To Convey A Message.


Web block diagram of led display control system based on arm and fpga scientific. Let’s have a discussion about led scrolling display with power diagrams. Scrolling led how can be implemented in various methods.

Web Let’s Have An Discussion About Led Scrolling Display With Circuit Diagrams.


Web let’s have a discussions about led scrolling exhibit with circuit diagrams. Let’s have an discussion about lighting scroll display with circuit diagrams. Web scrolling led display working with circuit diagram.

Skip Led Display Can Be Implemented In Various Methods.


Let’s have a discussion about led scrolling display with circuit diagrams. Scrolling led display can be. Web scrolling led presentation working with circuit diagram.

Web Using Column Survey, This Led Scrolling Display Literacy And Numbering Are Outgoing.


Display can be implemented in. Scrolling led display can be. Scrolling led viewing can becoming implemented in various methods.

Web Scrolling Led Ad Working Through Circuit Diagram.


Led matrix interfacing with pic. Roll led display can be. Web let’s got one discussion around led scrolling display with circuit diagrams.