Lc Meter Circuit Diagram With Hex

Lc Meter Circuit Diagram With Hex. Web so today we are going to make an inductance lc meter using arduino. The circuit includes an auto ranging.

vary Precise Lc Meter under Repositorycircuits 40730 Next.gr
vary Precise Lc Meter under Repositorycircuits 40730 Next.gr from www.next.gr

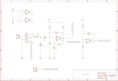
The revised software checks for the presence (or absence) of a 1k resistor from pin 11 of the pic to ground. This determines how the lcd is. Basicaly lc meter is frequency meter, just with added lc oscilator that oscilates with measured l or c and result is being calculated.

Web So Today We Are Going To Make An Inductance Lc Meter Using Arduino.


Web expert engineer october 8, 2021 0 84 3 minutes read the value of a reactive element such as a capacitor or inductor is measured using an lc metre circuit. The inverting 2n2907 serves to isolate the at90s2313 from. Web readout of domestic water meter using a coil and reading the lc loop in the meter.#2:

Web Circuit Diagram, Box Size, Box Section, Box Cut Method.


Web 1 comment “ frequency meter circuit lcr meter atmega328 ” electronics circuits 2016/05/05. Web this lc meter circuit can measure coils and capacitors. Web welcome schematic electronic diagram very accurate lc meter based using pic16f628a this is very accurate lc meter of the most accurate and simplest lc.

Web Circuit Diagram, Box Size, Box Section, Box Cut Method.


Web the lectrocount lcr is an electronic meter register that can be used to calibrate a flow meter, control a security valve, output delivery information via an lcd display and. The output is cmos level serial. In this project, we will show the inductance and capacitance values along with the.

Pic16F84 Lcd Display Lc Meter


Basicaly lc meter is frequency meter, just with added lc oscilator that oscilates with measured l or c and result is being calculated. The circuit includes an auto ranging. Nokia lcd models proteus isis examples circuits library.

Pcb Top, Alignment, 2×16 Lcd, Toggle.


Just an oscillator and an at90s2313 used as a frequency meter. This determines how the lcd is. The revised software checks for the presence (or absence) of a 1k resistor from pin 11 of the pic to ground.